+420 553 764 091 avemar@avemar.cz
CZ SK EN
+420 553 764 091 avemar@avemar.cz
Druhý slider

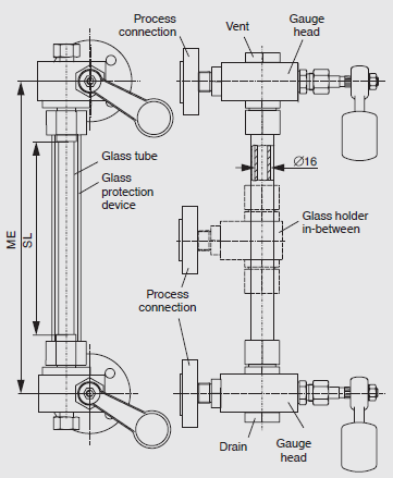
700.03 - Trubicový stavoznak PN25

Parameters

Catalog number 700.03
Producer KSR KUEBLER Niveau-Messtechnik AG
Connection: Threaded, Flanges
DN: 15, 20, 25
PN: 25
Medium: liquids (aggressive), liquids (neutral)
Material: Carbon steel, Stainless steel
Min. temperature: -20 °C
Max. temperature: 200

Description

trubicový stavoznak
připojení závitové, přírubové, ovládání ruční pákou
se skleněnou trubicí 16mm

Technical question

Ondřej Rozsíval, DiS.business and marketing

ondrej.rozsival@avemar.cz
Phone: +420 553 764 022 Mobile: +420 602 712 877

Contact form

E-mail
Subject*
Name*
E-mail*
Phone
Message*
By submitting the contact form, you agree to the privacy policy.

Related Categories

Tubular level gauges Level gauges
© ARSYLINE 2016
Warning
Close